| توافر الحالة: | |
|---|---|
| الكمية: | |
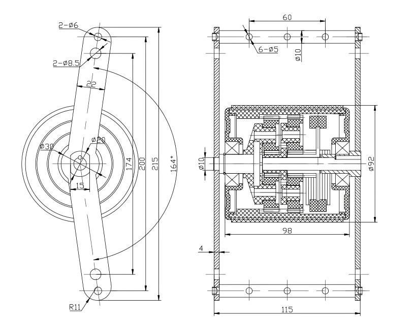
BE92
RONWIN
HS Code: 8431390000
أسطوانة فرامل خارجية متوسطة/ثقيلة للمنصات
تعمل مخفضات السرعة / وحدات التحكم في السرعة في حوامل الجاذبية، والمعروفة أيضًا باسم بكرات الفرامل، على منع تسريع الجاذبية عن طريق منصات التحميل المنزلقة، وتوفر حركة ثابتة وسلسة للمنصات على الرفوف، وتحمي سلامة المشغلين والبضائع. يتكيف ذاتيًا مع أوزان متنوعة، وقوة كبح ثابتة، ولا يحتاج إلى صيانة، ولا يستخدم الطاقة.
يكمن الاختلاف الرئيسي بين أسطوانة التخميد BE92 وطراز BE120 في المطابقة العكسية للأبعاد الفيزيائية وقدرة التحمل، أي أن BE92 لها قطر خارجي أصغر ولكن قدرة تحمل أقوى، في حين أن BE120 لها قطر خارجي أكبر ولكن حد تحمل أقل.
الاختلافات المحددة هي كما يلي:
أبعاد:
BE92: يبلغ القطر الخارجي عادةً 92 مم، وينتمي إلى فئة القطر الصغير.
BE120: يبلغ القطر الخارجي عادةً 120 مم، وينتمي إلى فئة القطر الكبير.
الحمولة:
BE92: مناسب للبضائع الثقيلة التي يتراوح وزنها بين 1000-1500 كجم (1.0-1.5 طن).
BE120: مناسب للسلع متوسطة الوزن التي يتراوح وزنها بين 200 و1000 كجم (0.2-1.0 طن).


ميزات BE92 ومنطق الاختيار:
استغلال أكبر للمساحة: على الرغم من أن BE92 له قطر أصغر (مما يعني عادةً ارتفاع تركيب أقل)، إلا أنه يمكنه حمل بضائع أثقل.
الاختلافات الهيكلية: تأتي خاصية 'الحجم الصغير والقوة الكبيرة' عادةً من الاختلافات في آلية التخميد الداخلية (على سبيل المثال، تصميمات الطرد المركزي أو منصات الاحتكاك). للتعامل مع حمولة 1.5 طن، تم تعزيز قوة الكبح الداخلية والقوة الهيكلية لسيارة BE92.
اعتبارات التثبيت: نظرًا لاختلاف الأقطار الخارجية، فإن مواضع فتحة التثبيت وتباعد الأسطوانة على حامل الجاذبية غير قابلة للتبديل بين النموذجين. إذا كان وزن البضاعة حوالي 1000 كجم، فقد يتداخل النموذجان؛ ومع ذلك، لضمان التحكم المناسب في السرعة، يوصى باتباع النطاق المقنن بدقة - تجنب التحميل الزائد على BE120 أو استخدام BE92 بأحمال خفيفة، مما قد يسبب 'الالتصاق' بسبب المقاومة المفرطة.
بعبارات بسيطة، الأساس الأساسي للاختيار هو وزن البضائع: اختر BE92 ذو القطر الأصغر للسلع الثقيلة، والقطر الأكبر BE120 للسلع الخفيفة.
الأبعاد والمواصفات

مُكَمِّلات

| نموذج | وزن الكائن |
| BE92/با | 1000-1500 كجم |
مناسبة للمنصات الخشبية والمنصات البلاستيكية وصناديق العمل وما إلى ذلك.

طلب

