الناقل الأسطوانة المتراكمة تجميع sprokcet الفولاذ
ضرس الصلب لتراكم الأسطوانة الناقلة ، جompare إلى ضرس البوليمر ، ضرس الصلب أكثر متانة. يمكن أن تتوافق مع الإسكان الحامل للبوليمرات أو الإسكان الحامل الصلب. أبعاد مختلفة ومواد لظروف العمل المختلفة.
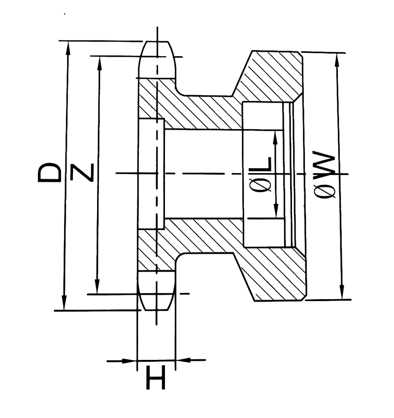
تحديد
| أنبوب القطر | سمك الأنبوب | قطر رمح | نموذج ضرس | مادة | المعالجة السطحية |
| φ50 | 1.2/1.5/2.0 | φ12/φ15 | 06b/08b | #45 الصلب ، SS304 | تصلب ، الأكسدة |
| φ60 | 1.5/2.0/2.5/3.0 | φ12/φ15/φ20 | 08 ب | #45 الصلب ، SS304 | تصلب ، الأكسدة |
| φ76 | 2.0/2.5/3.0/3.5 | φ12/φ15/φ20/φ25 | 08b/10a | #45 الصلب ، SS304 | تصلب ، الأكسدة |
ملاحظات: تجميع ضرس الصف الواحد أو الصفوف المزدوج قابل للشفاء.
الرسم 2D

الصور


التطبيقات
