RONWIN
في مجالات نقل ونقل الطاقة الصناعية، يعد استقرار المعدات ومتانتها أمرًا أساسيًا لضمان كفاءة الإنتاج. نحن فخورون بتقديم مجموعة غطاء نهاية المحمل الفولاذي لأسطوانة الناقل. تم تصميمها خصيصًا للتطبيقات الصعبة باستخدام الأسطوانات الفولاذية، وهي الحل المثالي لاستبدال وحدات المحامل البلاستيكية، مما يوفر متانة لا مثيل لها وقابلية تطبيق واسعة.
هذا المنتج عبارة عن حل محمل كامل وجاهز للتثبيت، ويتكون بدقة من ثلاثة مكونات أساسية.
الإسكان الصلب مختوم: تم تشكيلها من لوحة فولاذية عالية القوة، فهي قوية هيكليًا وتقاوم التأثير والتشوه بشكل فعال.
غطاء نهاية مختوم: يمنع بشكل فعال دخول الغبار والملوثات، مما يطيل عمر خدمة المحمل الداخلي.
محمل كروي دقيق: يضمن دورانًا سلسًا ومنخفض الضوضاء ومنخفض الاحتكاك للأسطوانة، مما يوفر دقة دوران ممتازة.
يوفر الهيكل الفولاذي بالكامل قوة ميكانيكية عالية للغاية، مما يمكنه من تحمل الأحمال الشعاعية والمحورية التي تتجاوز بكثير تلك التي تتحملها وحدات المحامل البلاستيكية. سواء كان ذلك تحت الأحمال الثقيلة المستمرة أو في بيئات لا يمكن تجنبها مع الصدمات والاهتزازات، فإنه يظل مستقرًا، مما يمنع بشكل فعال التوقف عن العمل الناتج عن فشل الغلاف.
تم تصميمه للتعامل مع الأحمال الثقيلة، بفضل غلافه الفولاذي القوي ومحمل الكرة الداخلي الدقيق. إنه يلبي بسهولة متطلبات التعامل مع المواد على خطوط النقل الثقيلة وتطبيقات الأسطوانات التي تعمل بالطاقة، مما يوفر دعمًا موثوقًا به.
المادة الفولاذية تجعلها أقل حساسية لتقلبات درجات الحرارة مقارنة بالبلاستيك. إنه يحافظ على أداء مستقر في كل من درجات الحرارة المحيطة العالية والمنخفضة، وهو مناسب لمختلف الظروف القاسية حيث قد تصبح المحامل البلاستيكية طرية أو هشة، وبالتالي توسيع نطاقات تطبيق المعدات.
تم تصميم وحدة المحمل هذه بدقة لتكون متوافقة تمامًا مع اثنين من المواصفات الصناعية الشائعة الاستخدام لبكرات الفولاذ، مما يوفر خيارات تكوين مرنة.
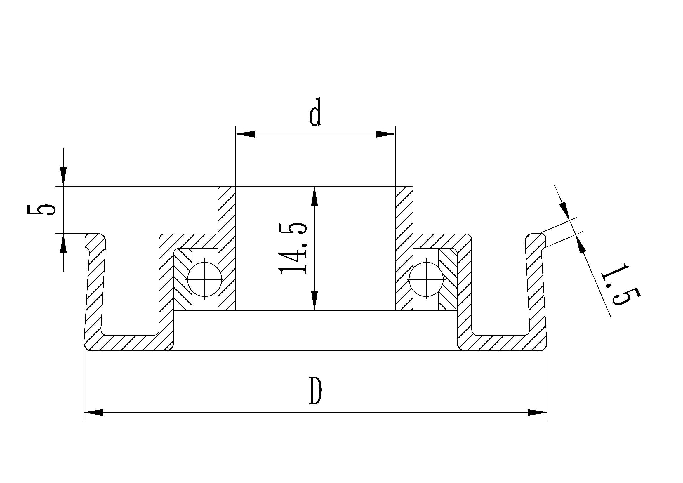
رسم ثنائي الأبعاد

سمك جدار أنبوب الأسطوانة والعمود المطابق هما كما هو موضح في مخطط المواصفات أدناه.
| قطر الأنبوب (مم) | سمك جدار الأنبوب (مم) | قطر رمح (مم) | مادة |
| Φ50 | 1.2/1.5/2.0 | Φ12/Φ15 | الكربون الصلب والفولاذ المقاوم للصدأ |
| Φ57 | 1.5/2.0/2.5 | Φ12/Φ15 | الكربون الصلب والفولاذ المقاوم للصدأ |
ملاحظة: تتوفر مواصفات أخرى لتلبية متطلبات التصميم المختلفة.
الناقلات الثقيلة، الناقلات الدوارة.
أنظمة التخزين والفرز اللوجستي.
الآلات الزراعية، معدات الطباعة، آلات التعبئة والتغليف.
تتطلب المعدات الصناعية المختلفة بكرات عالية التحميل وطويلة العمر
عندما يتجاوز تطبيقك حدود المحامل البلاستيكية - سواء كان ذلك الوزن أو التأثير أو درجة الحرارة - فإن وحدة المحامل الفولاذية هي الخيار الأمثل. إنه ليس مجرد مكون، بل هو استثمار في التشغيل المستمر وتقليل الصيانة وتعزيز الموثوقية الشاملة ** لمعداتك.
اختر وحدات المحامل الفولاذية الآن لتمكين أجهزتك الأساسية من خلال أداء قوي وغير قابل للتدمير!
تذكير لطيف: قبل التثبيت، يرجى التأكد من أن سمك جدار الأسطوانة يلبي المتطلبات لضمان قوة دعم كافية ومشاركة الخيط.
الصور



في مجالات نقل ونقل الطاقة الصناعية، يعد استقرار المعدات ومتانتها أمرًا أساسيًا لضمان كفاءة الإنتاج. نحن فخورون بتقديم مجموعة غطاء نهاية المحمل الفولاذي لأسطوانة الناقل. تم تصميمها خصيصًا للتطبيقات الصعبة باستخدام الأسطوانات الفولاذية، وهي الحل المثالي لاستبدال وحدات المحامل البلاستيكية، مما يوفر متانة لا مثيل لها وقابلية تطبيق واسعة.
هذا المنتج عبارة عن حل محمل كامل وجاهز للتثبيت، ويتكون بدقة من ثلاثة مكونات أساسية.
الإسكان الصلب مختوم: تم تشكيلها من لوحة فولاذية عالية القوة، فهي قوية هيكليًا وتقاوم التأثير والتشوه بشكل فعال.
غطاء نهاية مختوم: يمنع بشكل فعال دخول الغبار والملوثات، مما يطيل عمر خدمة المحمل الداخلي.
محمل كروي دقيق: يضمن دورانًا سلسًا ومنخفض الضوضاء ومنخفض الاحتكاك للأسطوانة، مما يوفر دقة دوران ممتازة.
يوفر الهيكل الفولاذي بالكامل قوة ميكانيكية عالية للغاية، مما يمكنه من تحمل الأحمال الشعاعية والمحورية التي تتجاوز بكثير تلك التي تتحملها وحدات المحامل البلاستيكية. سواء كان ذلك تحت الأحمال الثقيلة المستمرة أو في بيئات لا يمكن تجنبها مع الصدمات والاهتزازات، فإنه يظل مستقرًا، مما يمنع بشكل فعال التوقف عن العمل الناتج عن فشل الغلاف.
تم تصميمه للتعامل مع الأحمال الثقيلة، بفضل غلافه الفولاذي القوي ومحمل الكرة الداخلي الدقيق. إنه يلبي بسهولة متطلبات التعامل مع المواد على خطوط النقل الثقيلة وتطبيقات الأسطوانات التي تعمل بالطاقة، مما يوفر دعمًا موثوقًا به.
المادة الفولاذية تجعلها أقل حساسية لتقلبات درجات الحرارة مقارنة بالبلاستيك. إنه يحافظ على أداء مستقر في كل من درجات الحرارة المحيطة العالية والمنخفضة، وهو مناسب لمختلف الظروف القاسية حيث قد تصبح المحامل البلاستيكية طرية أو هشة، وبالتالي توسيع نطاقات تطبيق المعدات.
تم تصميم وحدة المحمل هذه بدقة لتكون متوافقة تمامًا مع اثنين من المواصفات الصناعية الشائعة الاستخدام لبكرات الفولاذ، مما يوفر خيارات تكوين مرنة.
رسم ثنائي الأبعاد

سمك جدار أنبوب الأسطوانة والعمود المطابق هما كما هو موضح في مخطط المواصفات أدناه.
| قطر الأنبوب (مم) | سمك جدار الأنبوب (مم) | قطر رمح (مم) | مادة |
| Φ50 | 1.2/1.5/2.0 | Φ12/Φ15 | الكربون الصلب والفولاذ المقاوم للصدأ |
| Φ57 | 1.5/2.0/2.5 | Φ12/Φ15 | الكربون الصلب والفولاذ المقاوم للصدأ |
ملاحظة: تتوفر مواصفات أخرى لتلبية متطلبات التصميم المختلفة.
الناقلات الثقيلة، الناقلات الدوارة.
أنظمة التخزين والفرز اللوجستي.
الآلات الزراعية، معدات الطباعة، آلات التعبئة والتغليف.
تتطلب المعدات الصناعية المختلفة بكرات عالية التحميل وطويلة العمر
عندما يتجاوز تطبيقك حدود المحامل البلاستيكية - سواء كان ذلك الوزن أو التأثير أو درجة الحرارة - فإن وحدة المحامل الفولاذية هي الخيار الأمثل. إنه ليس مجرد مكون، بل هو استثمار في التشغيل المستمر وتقليل الصيانة وتعزيز الموثوقية الشاملة ** لمعداتك.
اختر وحدات المحامل الفولاذية الآن لتمكين أجهزتك الأساسية من خلال أداء قوي وغير قابل للتدمير!
تذكير لطيف: قبل التثبيت، يرجى التأكد من أن سمك جدار الأسطوانة يلبي المتطلبات لضمان قوة دعم كافية ومشاركة الخيط.
الصور


